斯特林制冷機上電接點壓力表屢損原因及改進方案
介紹了ZL2.8/194型斯特林制冷機工作時,電接點壓力表的故障現象,分析了控制電路的弊端,并提出了2種改進方案。
1.引言
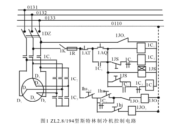
彈簧管式電接點壓力表作為指示、控制 儀表廣泛用于自動對壓力進行區間控制的場 合。測量ZL2.8/194型斯特林制冷機四個缸平 均工作壓力的壓力表中,有一個YX-150型電 接點壓力表。利用表內上限可調電觸頭,控制 制冷機平均工作壓力的上限+值(2.7MPa)。正 常工作時,壓力表指針位于電觸點下面,當制 冷機因某種原因平均工作壓力超過額定值 時,壓力表指針與上限電觸頭相碰,電路接 通,通過控制電路切斷電機電源,制冷機停止 運轉[1]。圖1為制冷機控制電路原理圖。圖中, 交流接觸器型號是CJO-75TH, 1JS型號為SJS-5的時間繼電器,1hs1—4表示4 只水量訊號裝置行程開關串聯在一起,1hu代 表油壓訊號裝置行程開關,1hj表示電接點式 壓力表的電觸頭,1JOjD1JO2S兩個中間繼電 器,型號是JZ7-44TH。
2.故障現象
該型制冷機在一次工作時,突然自動 停機。經檢查,發現水量訊號裝置行程開關 lhs1—4常開觸頭閉合,冷卻系統水量正常; 制冷機油壓達0.16MPa時,行程開關1hu閉 合良好;時間繼電器和交流接觸器良好;制 冷機工質(氫氣)壓力超過2.5MPa(運行時, 壓力就會超過2.5MPa),電接點式壓力表內 有明顯燃爆痕跡,只是制冷機位于KL-15 型制氧車內,水泵、壓縮機等其它設備噪音 較大,因而未曾聽見燃爆聲。說明電接點式 壓力表內產生過電火花。
3.故障原因
電接點式壓力表1hj觸頭是按圖1所示 的方法接入控制電路的。控制電路工作過 程為:合上自動空氣開關1DZ和組合開關 1K,同時啟動水泵,在4個冷卻器的水量達 到要求后,行程開關1hs1—4常開觸頭閉合, 使中間繼電器1J〇i線圈通電,常開觸頭閉 合,操作電路電源接通。在電動機1D定子繞 組由Y-A換接時(交流接觸器1匚3的主觸頭 斷開,1C2主觸頭閉合),由于1匚2線圈通電, 其輔助常閉觸頭斷開,如果此時制冷機油 壓己經達到0.16MPa時,行程開關1hu閉合, Y- A換接成功,制冷機投入正常運轉。
從圖1中可以看出,壓力表的兩組觸頭 直接串聯在220V線路中,觸點所加電壓偏 高,加上兩組觸頭又是柔性接觸(不像理想 開關那樣合分干脆利落),這樣在似接非接 時就會引發強烈的電火花;同時,接觸器在 得電即將吸合的瞬間,其鐵心呈開口狀態, 阻抗很小,通過壓力表觸頭的瞬態沖擊電 流很大[2]。因此,新表使用不久就會造成觸 點氧化燒蝕、接觸不良。輕則使接觸器發生 抖動,大大縮短壓力表和接觸器的壽命,重 則造成燃爆,甚至壓力超限后,壓力表指針 不能接通上限觸頭,以致引發重大事故。
由于壓力表帶電指針與上限給定電觸 頭相碰時會產生電火花,當壓力表的彈簧 管(波登管)漏氣時可能發生燃爆[3]。為確保 安全,不讓氫氣直接進入電接點壓力表。電 接點壓力表的安全裝置。氫氣的壓力通過 橡皮碗傳給其中盛裝的透平油,變為透平 油對壓力表的壓力。由于氫氣的滲透性很 強,在長期運行中少量氫氣會透過橡皮碗 漏到壓力表內。這個表內殘余壓力不影響 正常工作壓力指示,有此情況一般將表內 氫氣釋放,在橡皮碗內補充透平油。盡管考 慮了防止燃爆措施,但實際操作過程中,工 作人員給制冷機氣缸補氣速度過快(造成 壓力超限的多數直接原因),也不將表內氫 氣釋放,更談不上補充橡皮碗內透平油,所 以,容易發生上述事故。
4.改進方案
為減弱或消除壓力表指針與觸頭接通 產生的電火花,避免發生事故,對原控制電 路進行了必要的改動。這樣既保護了壓力 表和接觸器,延長使用壽命,又滿足飛機等 設備氧氣和氮氣的正常保障供應。
降低控制電路電壓的改進方案,即將 控制電路的電壓降為36V。為此需增加一只 380(220)V/36V的變壓器,同時把中間繼電 器和接觸器的線圈換為36V的,如虛線框內 所示。試驗結果表明,通過這種改進,在很 大程度上減弱了電火花,但由于對壓力表 觸頭的瞬態電流沖擊以及接觸器線圈施予 觸頭的反電勢沒能消除,所以本方案無法 徹底根除原控制電路的弊端。
采用直流弱電控制的改進方案。由時 基電路NE555及外圍元件構成雙穩態觸發 電路,帶動中間繼電器1JO2去控制接觸器 1C2。試驗結果表明,壓力表觸頭的工作電 壓僅十幾伏,通過的電流僅幾毫安,幾乎不 存在電壓、電流沖擊,有效地保護了觸頭, 避免了接觸器的抖動,大大延長了它們的 壽命,而且運行安全可靠。
5.結語
采用直流弱電控制的改進方案后運行 己有2年,至今運行良好,電接點壓力表安 然無恙。它不僅提高了裝備的可靠性,減輕 了工作人員的工作強度和心理負擔,還節 約了大量的維修經費,有效地提高了飛機 飛行的保障力度。
制冷送冷車、空氣壓縮機等裝備上面的 壓力或潤滑系統超限控制也用電接點壓力 表。該方案可直接用于它們的控制電路上。
下一篇:談壓力表的回程(反行程)誤差


